Автоматический станок для двусторонней опрессовки и формовки концов труб SG-40-2
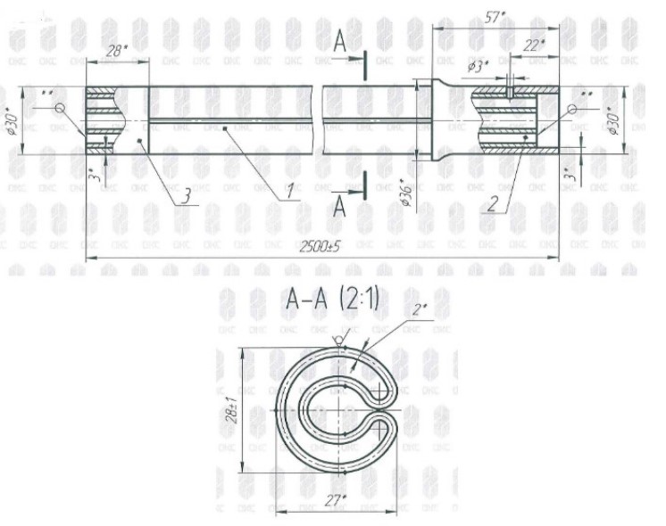
Станок SG-40-2 предназначен для опрессовки и формовки концов труб. Производит двухстороннюю обработку за один производственный цикл, также способен сверлить в заготовках технологические отверстия согласно чертежам. Модель легко встраивается в уже имеющиеся на предприятии производственные линии, рассчитана на работу с трубами толщиной до 40 миллиметров, диаметров стенок до 2 мм. Заявленная производительность установки - до 200 единиц в час, что позволяет использовать ее на средних и крупных промышленных объектах.
Автоматический станок SG-40-2 соответствует современным нормам качества и безопасности. Он надежен, все ключевые элементы конструкции сделаны и материалов, стойких к износу, что заметно снижает потребность в проведении ТО. Благодаря этому машина реже простаивает и приносит больше прибыли владельцу предприятия. Проведение обслуживания не занимает много времени еще и благодаря продуманной компоновке, обеспечивающей легкий доступ к электродвигателю и другим важным узлам машины.
Работа установки SG-40-2 автоматизирована, благодаря чему снижается нагрузка на оператора, повышается общее качество готовой продукции и производительность труда. Управление машиной осуществляется со стойки-контроллера, оборудованной современной панелью оператора с графическим интерфейсом. Она проста в освоении, что позволит быстро подготовить оператора, даже если тот ранее не имел соответствующего опыта.
Чтобы приобрести понравившийся товар, необходимо его заказать. Есть несколько сценариев того, как это можно сделать.
- Выбрать понравившийся товар и нажать кнопку «Заказать». При оформлении заказа заполнить форму. Вписать информацию в поля: ФИО, телефон и e-mail. Затем вам перезвонит менеджер, чтобы подтвердить ваше согласие на совершение покупки.
- Выбрать понравившийся товар и нажать кнопку «В корзину». Затем перейти в корзину и нажать «Оформить заказ». Далее заполнить форму с контактными данными и отправить заявку. С вами свяжется менеджер для дальнейшего обсуждения.
- Перейти в карточку товара и нажать «Купить в один клик». После нажатия нужно заполнить форму и отправить заявку. С вами свяжется менеджер для дальнейшего обсуждения.
Мы работаем с физическими и юридическими лицами. И предоставляем сразу два варианта оплаты.
- Наличные. Вы подписываете товаросопроводительные документы, расплачиваетесь денежными средствами, получаете товар и чек.
- Безналичный расчет. Принимаем карты Visa и MasterCard. Доступен при курьерской доставке.
Ваш заказ можем доставить собственными ресурсами, при условии вашего нахождения в городе. Либо через 4 варианта доставки:
- Курьерская доставка. Курьерская доставка работает с 9:00 до 19:00. Когда товар поступит на склад, курьерская служба свяжется для уточнения деталей. Специалист предложит выбрать удобное время доставки и уточнит адрес.
- Самовывоз из магазина. Для получения заказа обратитесь к сотруднику в кассовой зоне и назовите номер.
- Сотрудничаем с постаматами. Срок хранения — 3 дня.
- Предоставляем почтовую доставку через почту России. Когда заказ придет в отделение, на ваш адрес придет извещение о посылке. Вскрывать коробку самостоятельно вы можете только после оплаты заказа.
